Kann falsche Temperatur zu Leistungseinbruch führen?

Die wohl interessanteste Kategorie. Ihr habt Probleme mit Eurem Peugeot? Die Werkstatt weiss mal wieder nicht weiter? Das Handbuch gibt auch nichts mehr her? Na dann, stellt Eure Frage hier rein.
Felix306-2.0
Kanaldeckelumfahrer
Beiträge: 157
Registriert: Di 18.06.13 21:53
Postleitzahl: 76149
Land: Deutschland

Re: Kann falsche Temperatur zu Leistungseinbruch führen?

Beitrag von Felix306-2.0 » Do 23.04.15 10:15

Moin,

also gestern hat mich die Werkstatt angerufen, erste Diagnose, Motor läuft unauffällig, was Geräusche und Druck ... angeht, laut Meister.
Gefunden wurden 1-2 defekte Kabel im Bereich Motortemperaturfühler und der Fühler selber wird heute noch ausgetauscht.
Er meint, das es sehr gut sein kann, das alles zusammen hängt, sprich Lüfter läuft falsch, weil falsche Werte, kühlt Klima nicht, Motor keine Leistung etc.
Wäre ja zu schön um wahr zu sein, bin bei sowas leider etwas vorsichtig pessimistisch nach meiner Auto Vergangenheit, aber hoffe wirklich, das er Recht behält, kann ihn wohl heute nachmittag abholen, bin sehr gespannt!

Felix306-2.0
Kanaldeckelumfahrer
Beiträge: 157
Registriert: Di 18.06.13 21:53
Postleitzahl: 76149
Land: Deutschland

Re: Kann falsche Temperatur zu Leistungseinbruch führen?

Beitrag von Felix306-2.0 » Do 23.04.15 19:36

Hallo,

Auto steht noch in der Werkstatt, soweit wurde alles behoben, bis auf folgendes:
Die Lüfter.
Der eine ist komplett defekt, der andere eiert sehr stark und geht früher oder später auch kaputt.
Also hab ich mir 2 Lüfter bestellt, welche Samstag ankommen, weil direkt bei Peugeot würde zum einen paar Tage dauern und zum anderen wäre es kaum bezahlbar, er hat von 168€ pro Stück gesprochen.
Ich würde die gerne Samstag tauschen, aber finde nur eine Anleitung, wie man den kompletten Kühler tauscht.

Meine Frage, muß ich um die Lüfter zu tauschen, den gesamten Kühler mit ausbauen?
Weil das ist, soweit ich das beurteilen kann, schon ziemlich aufwendig, oder gibts nen Trick das simpel zu halten?

Danke für eine Info

Felix306-2.0
Kanaldeckelumfahrer
Beiträge: 157
Registriert: Di 18.06.13 21:53
Postleitzahl: 76149
Land: Deutschland

Re: Kann falsche Temperatur zu Leistungseinbruch führen?

Beitrag von Felix306-2.0 » Fr 24.04.15 16:08

tja, wäre auch alles zu einfach gewesen.
Auto heute abgeholt, es fehlen noch die neuen Lüfter, das wollte ich vorr. morgen machen.
Dennoch ein kurzer Test nach warm fahren auf der AB, gleiches wie vorher, bei etwa 190 ist fertig, um genau zu sein bei 5800 Umdrehungen, mehr schafft er einfach nicht, ausser ich würde eventuell minutenlang weiter gradeaus fahren, aber bei 190 PS sollte das schneller gehen.
Generell fühlt es sich an, als ob er etwas blockiert wäre, beim Gas geben.

Weiß nicht mehr weiter...

ST-ME406
Strafzettelsammler
Beiträge: 460
Registriert: Fr 30.01.09 19:21
Land: Deutschland
Wohnort: Nordwalde

Re: Kann falsche Temperatur zu Leistungseinbruch führen?

Beitrag von ST-ME406 » Fr 24.04.15 19:31

Du hast bei 190km/h 5800 Umdrehungen??
Hört sich an als würde noch nen Gang fehlen. Weiß ja nicht wie es beim Automatik ist aber ich hab im 5. Gang bei 200 ca. 5000 Umdrehungen Anliegen

Felix306-2.0
Kanaldeckelumfahrer
Beiträge: 157
Registriert: Di 18.06.13 21:53
Postleitzahl: 76149
Land: Deutschland

Re: Kann falsche Temperatur zu Leistungseinbruch führen?

Beitrag von Felix306-2.0 » Fr 24.04.15 19:46

ja, exakt 5800, aber auch dorthin zu kommen fühlt sich sehr träge an...

mattnmeng
Strafzettelsammler
Beiträge: 439
Registriert: Mo 17.01.11 16:24
Postleitzahl: 66123
Land: Deutschland
Wohnort: Saarbrücken
Kontaktdaten:

Re: Kann falsche Temperatur zu Leistungseinbruch führen?

Beitrag von mattnmeng » Mo 27.04.15 11:01

Felix306-2.0 hat geschrieben:ja, exakt 5800, aber auch dorthin zu kommen fühlt sich sehr träge an...
Wenn ich das richtig in Erinnerung habe fällt der Drehmooment über 5000 Touren ab, was die Trägheit erklären könnte. Ich stimme dem Vorposter zu: Dir fehlt ein Gang
206 CC 136 (BJ 2001) (Von LKW kaltverformt, verkauft)
206 SW HDI 110 JBL (BJ 2006) (Verkauft)
VW Golf VI Variant 2.0 TDI (BJ 2011) (Ein Peugeot mit DSG wär echt was feines)

Felix306-2.0
Kanaldeckelumfahrer
Beiträge: 157
Registriert: Di 18.06.13 21:53
Postleitzahl: 76149
Land: Deutschland

Re: Kann falsche Temperatur zu Leistungseinbruch führen?

Beitrag von Felix306-2.0 » Mo 27.04.15 14:37

Hallo,

war heute bei der Werkstatt, weil noch die Lüfter getauscht werden, wollte das dann doch nicht selber machen, weil es sich unangenehmer entwickelt hat, als erwartet.
Nun gut, hab etwas mit ihm gequatscht, er war total entsetzt, weil er Freitags probe gefahren ist und das Auto ganz normal lief, er habe bei 210 dann gebremst, wegen dem Verkehr und sei froh gewesen, das nun alles läuft.
Er hat mir das mehrfach versichert.

Als ich es versucht hatte, lief die Klima mal wieder nicht weil ja die Lüfter nicht laufen (einer gar nicht, der andere eiert und läuft auch nicht immer)
Eventuell hat sich da was runter geregelt, die Stop Leuchte war auch kurz angegangen (geht immer kurz an, wenn sich die Klima ausschaltet, ist genau der Moment, wenn sich der Lüfter zuschalten sollte)

Eventuell hängt da das eine noch mit dem anderen zusammen, ich weiß es nicht.

Getriebe/Kupplungsschaden wäre natürlich DER Supergau.

Die restlichen Gänge schaltet es sich ganz normal, ich hatte eher das Gefühl, das die Power generell etwas gefehlt hat, mal sehen, bekomme das Auto später zurück, drückt mir die Daumen, bei Getriebe kaputt wird es zu teuer und ich werde eine Rückabwicklung einleiten, worauf ich 0 Bock habe, weil ich natürlich schon etwas Geld reingesteckt habe, das Gerenne mit Anwalt etc. mag ich mir eigentlich gerne ersparen.

MfG

Felix306-2.0
Kanaldeckelumfahrer
Beiträge: 157
Registriert: Di 18.06.13 21:53
Postleitzahl: 76149
Land: Deutschland

Re: Kann falsche Temperatur zu Leistungseinbruch führen?

Beitrag von Felix306-2.0 » Mo 27.04.15 18:12

Konnte das Auto doch nicht heute abholen, war grade auf dem Weg, dann Anruf Meister...
Erstmal waren sie froh, das in der Schnelle überhaupt geschafft zu haben, als ich versucht habe, das Lüftergehäuse abzubauen hab ich 2 Gummiprofen, die den Kühler halten abgerissen, weil verrostete Schrauben durchgedreht haben, die wollten erst die Stoßstange abbauen, haben das aber verworfen, weil die Schrauben so verrostet sind und es anders gelöst, soweit so gut.
Jedoch haben beide nagelneuen Lüfter (keine gebrauchten) im eingebauten Zustand einfach mal keine Funktion.
Sicherungen wurden natürlich gleich gecheckt, beide Meister erst mal etwas "ratlos".
Jetzt suchen sie morgen den Fehler, um ehrlich zu sein, so sehr ich das Auto mag, so langsam geht mit die Geduld und Nerven aus, bin eigentlich echt angewiesen auf ein funktionierendes Auto, seit 3 Wochen hab ich das Coupe und bin bisher 3 Tage damit gefahren, den Rest stand es bei mir vor der Tür und hat auf Teile gewartet, oder in der Werkstatt, könnte kotzen.

Mal sehen, was morgen wieder neues raus kommt...

Benutzeravatar
rhine
Randsteinstreichler
Beiträge: 1424
Registriert: So 16.01.05 03:08
Postleitzahl: 09337
Land: Deutschland
Wohnort: Callenberg/Sachsen

Re: Kann falsche Temperatur zu Leistungseinbruch führen?

Beitrag von rhine » Mo 27.04.15 19:20

entwickelt sich langsam zur diva, das qp.

ist halt n altes auto, wo viel teile ersetzt werden müssen, die wahrscheinlich noch die ersten sind.gerade lüftersache. hast in dem sinne glück, das das die werkstatt macht, und nicht du selbst, wie du es ursprünglich vorhattest.

mfg
Historie: Motortuning
132,0Ps/5500upm--180,0Nm/4200upm standart xu10j4r
142,8Ps/6110upm--173,2Nm/4820upm GTI6-Ansaugbrücke
147,3Ps/6040upm--181,1Nm/4800upm mit Dbilas-chip
naja.fahr jetzt V6 Coupe. auch geil:-)

Benutzeravatar
406 D
Spätzünder
Beiträge: 1665
Registriert: Di 11.11.03 00:00
Postleitzahl: 26632
Land: Deutschland
Wohnort: ihlow

Re: Kann falsche Temperatur zu Leistungseinbruch führen?

Beitrag von 406 D » Mo 27.04.15 20:11

moin,

habe ich es überlesen oder hast du zum motor nichts geschrieben? ist es der v6?
dann 5 euro ins schweinderl.

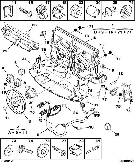
egal, zum lüfter, auch beim v6 gibt es ein steuerteil (bitron) für den lüfter im radkasten hinter der radhausverkleidung fahrtrichtung links, teil nr. 12.
dann 3 relais unter einer abdeckung, teil nr. 4 + 6.

dann gibt es noch einen ziemlich dämlichen masseanschluss unter der batterie, das ist die öse vom kabel 5 zur karosserie hin, hier liegt die öse im prinzip auf lackiertem blech, die verbindung muß die schraube die in den radkasten geht herstellen, die rostet gerne von unten unbemerkt und gibt so keinen richtigen kontakt mehr her.
00008973.jpg
gib das mal deinen autodoktoren mit auf den weg.

andreas

Antworten