[306 Cabrio] 1307 PN - gesucht

Ausschließlich für private Gesuche
Antworten
Benutzeravatar
Mr Silverball
Kanaldeckelumfahrer
Beiträge: 192
Registriert: Mi 27.08.14 10:08
Postleitzahl: 22455
Land: Deutschland
Wohnort: Hamburg
Kontaktdaten:

[306 Cabrio] 1307 PN - gesucht

Beitrag von Mr Silverball » Di 02.08.16 11:19

Hallo alle,

bei meinem 306 Cab ist schon wieder etwas defekt. Diesesmal ist es ein Rohr aus dem Kühlkreislauf, das durchgerottet ist.
Es soll sich um die TN: 1307 PN handeln.

Hat jemand eine Idee, wo ich noch suchen kann?
Mit Bild wäre super, weil ich sonst nicht weiss, ob es wirklich das defekte Teil ist.

Es handelt sich um ein 306 Cabrio 2.0 16V Automatik (AL4) mit Klima.
Zuletzt geändert von Mr Silverball am Mi 13.06.18 14:53, insgesamt 2-mal geändert.
Grüße,

Mr Silverball.

Cab Cruiser. (306 Cabriolet)
Sésame, ouvre-toi ! (1007)

Keezx
Strafzettelsammler
Beiträge: 447
Registriert: Mo 18.08.14 15:43
Wohnort: Niederlande

Re: 1307 PN - gesucht

Beitrag von Keezx » Fr 05.08.16 21:37

Hast du ein bild? Habe noch Teile leigen...

Benutzeravatar
Mr Silverball
Kanaldeckelumfahrer
Beiträge: 192
Registriert: Mi 27.08.14 10:08
Postleitzahl: 22455
Land: Deutschland
Wohnort: Hamburg
Kontaktdaten:

Re: 1307 PN - gesucht

Beitrag von Mr Silverball » Di 23.08.16 10:56

Hallo Keezx,

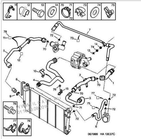
Es handelt sich um das Teil mit der Nummer 7 im oberen Bildbereich.
Ein Rohr mit Halterung und an beiden Enden jeweils ein Schlauchstück.
Dateianhänge
1307PN.JPG
Grüße,

Mr Silverball.

Cab Cruiser. (306 Cabriolet)
Sésame, ouvre-toi ! (1007)

Benutzeravatar
Mr Silverball
Kanaldeckelumfahrer
Beiträge: 192
Registriert: Mi 27.08.14 10:08
Postleitzahl: 22455
Land: Deutschland
Wohnort: Hamburg
Kontaktdaten:

Re: 1307 PN - gesucht

Beitrag von Mr Silverball » Do 01.09.16 09:12

Bin noch auf der Suche.
Grüße,

Mr Silverball.

Cab Cruiser. (306 Cabriolet)
Sésame, ouvre-toi ! (1007)

Benutzeravatar
Mr Silverball
Kanaldeckelumfahrer
Beiträge: 192
Registriert: Mi 27.08.14 10:08
Postleitzahl: 22455
Land: Deutschland
Wohnort: Hamburg
Kontaktdaten:

Re: 1307 PN - gesucht

Beitrag von Mr Silverball » Mo 20.02.17 19:31

Hat sich erledigt. Das Teil war nicht aufzutreiben. Der Freundliche sagte ganz lapidar: Ist halt Schrott - müssen Sie ein neues Auto kaufen ... :-P Zum Glück hat er nicht Peugeot gesagt, aber ich glaube er konnte sich denken, dass das nicht so gut angekommen wäre.

Wenn es eins gibt, dann, dass ich mir NIEMALS einen Peugeot neu kaufen würde, glaube ich. :-)

Zurück zum Sachverhalt: Ich habe eine nette und sehr findige Werkstatt um die Ecke gefunden und der Meister dort meinte nur - kein Problem - und es war kein Problem. Was er genau gemacht hat, habe ich nicht gefragt, aber es sieht so aus wie vorher - nur dicht.
Grüße,

Mr Silverball.

Cab Cruiser. (306 Cabriolet)
Sésame, ouvre-toi ! (1007)

Antworten